Принципы работы абиссинского колодца
Абиссинский колодец это упрощенный вариант скважины, позволяющий получать воду из залегающего сверху первого или второго водоносного горизонта. Конструкция его предельно проста. Представляет собой колонну соединенных между собой газоводопроводных стальных труб с примитивным фильтром и металлическим наконечником внизу.
Тонкий ствол выработки внешне напоминает древнейшее приспособление для шитья. Отсюда второе название: скважина игла.
Грамотно устроенный абиссинский колодец обеспечит водоснабжение приусадебного участка не хуже шахтного и не уступит ему в долговечности
Классический метод погружения абиссинского колодца в землю производится банальным забиванием – самым простым способом, активно применяемым в среде самостоятельных мастеров. Забивают до тех пор, пока нижняя труба с наконечником не вскроет водоносный слой.
Иногда колонну частично заглубляют посредством шнекового бурения, но аренда ручной или механической буровой установки существенно увеличивает бюджет работ.
Абиссинская скважина была изобретена и опробована на деле в период войны между колониальной Англией и Эфиопией в 1867-68 годах. Предложенная американским инженером Нортоном конструкция неутомимо обеспечивала английские войска водой во время их передвижений по пустыне.
Галерея изображений
Фото из
Абиссинский колодец — наиболее экономный метод добычи грунтовой воды
Так как глубина скважины-иглы стандартно не превышает 10 — 12 м, для откачки воды подойдет недорогой поверхностный насос
Дебит скважины-иглы равен дебиту обычного трубчатого колодца
Устроить скважину-иглу можно в любом, чаще всего недоступном для бурения обычной скважины месте, к примеру, в подвале дома
Устройство скважины-иглы отнимет минимум средств
Откачку воды ведут поверхностными насосами
Дебит абиссинской скважины не отличается от стандартной
Бурение абиссинской скважины в подвале
Устройство для извлечения живительной жидкости из подземных слоев грунта оперативно устанавливалось, демонтировалось и вновь использовалось на следующем привале.
Такие приоритеты как мобильность, дешевизна и простота сооружения были по достоинству оценены военными, привлекали путешественников и исследователей.
Плюсы устройства скважины иглы своими руками заключаются в простоте и минимальных сроках сооружения, легком демонтаже и бюджетной стоимости
В России с замечательным изобретением познакомились спустя год по завершении английского похода. Приспособление для подъема воды с небольшой глубины было описано К. И. Маслянниковым в книге, посвященной бытовавшим в то время эффективным буровым снарядам.
Из устроенных в районе Царского Села пяти абиссинских скважин, две оказались вполне пригодными для получения свежей воды. Три не смогли достичь водоносного пласта из-за известняка, близко залегающего к дневной поверхности.
Успешные абиссинские колодцы давали в минуту по ведру. Поначалу шла мутная жижа, которая после получасовой прокачки становилась достаточно прозрачной и чистой.
Скважиной-иглой вскрываются только первые от земной поверхности водоносные горизонты, поэтому для питьевых целей полученная вода использоваться не может. Она подходит для полива, уборки территории и схожих хозяйственных нужд.
При желании и внушительном дебите выработки для очистки воды можно установить систему грубых и тонких фильтров, задерживающих механические включения и химические примеси.
Веский недостаток абиссинского колодца – незначительная глубина забора воды, связанная с применением поверхностных насосов, однако это самый удобный источник временного пользования
Обслуживание абиссинской скважины
Абиссинская скважина прослужит дольше, если использовать ее регулярно. При этом линза вокруг фильтра сохраняет свои размеры, вода в ней остается чистой, а дебит скважины не изменяется. Если вы планируете использовать абиссинскую скважину сезонно, необходимо ее законсервировать: слить воду из подающей трубы, чтобы она не промерзла, насос накрыть непромокаемым материалом, чтобы защитить его от снега и талых вод. Весной, перед началом сезона, необходимо прокачать скважину, как перед первым запуском в эксплуатацию.

Видео – Абиссинская скважина своими руками
Абиссинская скважина не требует оформления паспорта, при этом она может обеспечить вашу семью чистой водой питьевого качества. При регулярном использовании и обслуживании скважины, проблема водоснабжения дома будет решена на несколько десятилетий вперед. «К , вы можете прочитать в наше статье».



































При наличии на вашем приусадебном участке линий электропитания, можно облегчить себе работу по подъему воды для абиссинского колодца.
Поскольку глубина такого источника водоснабжения довольно невелика, то подъем из него воды производится поверхностным насосом, входной патрубок которого опускается в трубу до уровня заполнения ее водой. На окончании входного шланга такого насоса необходимо установить дополнительную фильтрующую сетку.

Также подъем воды из колодца абиссинского типа можно осуществлять при помощи погружного насосного устройства. Однако такой способ обойдётся дороже, чем использование поверхностного устройства. Причина – высокая стоимость погружных насосов с небольшим диаметром корпуса. Это достаточно узкоспециализированное оборудование, предназначенное для откачки воды из глубоких скважин на известняк или из артезианских скважин.

Обустройство круглогодичной работы абиссинского колодца
Если вы проживаете в загородном доме или на даче постоянно, в том числе и в холодное время года, то имеет смысл задуматься над круглогодичной работой колодца абиссинского типа.
Основной проблемой эксплуатации насосов и скважин в зимний период является низкая температура на поверхности земли. Она может вывести из строя как трубопроводы водоснабжения, так и насосное оборудование.
Для предотвращения замерзания трубопровод, подающий воду от колодца до обогреваемых помещений, а также качающий воду насос необходимо размещать либо в строениях с постоянной плюсовой температурой, либо в специальной ёмкости — кессоне.
Может представлять собой как заглубленное ниже уровня промерзания почвы капитальное сооружение, так и готовую конструкцию из железа или пластика, обычно в виде бочонка, также заглубленную в землю. Нижний край кессона необходимо расположить ниже линии промерзания почвы, на таком же уровне следует разместить и трубопровод водоснабжения вашего дома. Кессон может иметь дополнительный уплотнительный слой, изготовленный из материалов, невосприимчивых к воздействию грунта. Трубопровод водоснабжения может иметь как пассивный утепляющий слой, так и активную систему отопления, например, на основе греющего кабеля.

Как видите, самостоятельная постройка колодца абиссинского типа и сопутствующей инфраструктуры вполне под силу даже людям с минимальными технологическими навыками. При небольших стартовых затратах, абиссинский колодец вполне может стать источником постоянного автономного водоснабжения для бытовых нужд вашего дома, а при проведении дополнительной источником питьевой воды.
Чтобы более подробно ознакомиться с процедурой самостоятельного строительства абиссинского колодца, вы можете посмотреть обучающее видео.
Видео — Абиссинский колодец своими руками – технология




Время чтения ≈ 4 минут
Не всегда есть возможность обеспечить загородный дом центральным водоснабжением. Есть несколько других возможностей наладить подачу воды, подходящей для питья и хозяйственных нужд. Одна из них – это бурение абиссинской скважины, а как ее обустроить, можно узнать из данной статьи.
Оборудование для скважины
Если качество и объем воды вас устраивают, необходимо произвести обустройство кессона. Это требуется для нормальной функциональности установленного насоса и самой скважины.
Изготовление кессона выполняется в такой последовательности:
- Возле иглы углубляетесь на глубину ниже уровня замерзания грунта.
- Выполняется подсыпка песком от 5 до 10 см.
- Сверху кладется арматурная сетка.
- Дно заливается раствором.
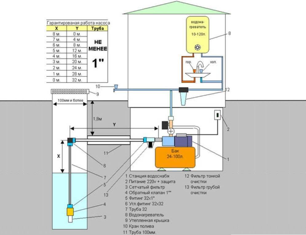
Чтобы поднять воду с глубины 7–8 метров, потребуется покупка насосной станции. Для ее установки в кессон подводится электричество. Бытовая насосная станция обеспечит вам расход до 20 л/мин, с напором до 45 метров.
Качество воды – как проверить? Как очистить?
Даже после прокачки, вода из скважины редко соответствует нормам СанПин для питьевых и хоз. бытовых нужд!
- Для анализа вода отбирается в чистую пластиковую ёмкость объёмом 1,5 литра. Лучше всего использовать тару от обычной питьевой воды. Не следует набирать пробу воды в бутылки от газировки, кваса, соков и т.п.
- Перед тем, как набрать воду, лучше всего открыть кран и пролить её в течение 3-5 минут. Это делается для того, чтобы удалить из труб застоявшуюся воду. Если скважина новая, нужно прокачать её несколько дней, чтобы избавиться от механических примесей, попавших в неё во время бурения.
- Бутылку и пробку перед набором воды необходимо несколько раз ополоснуть той водой, которую будут набирать. Использовать моющие средства нельзя.
- Процесс забора пробы воды производится тонкой струйкой по стенке пластиковой ёмкости. Это нужно для того, чтобы растворённое в воде железо не окислилось из-за кислорода и не выпало в осадок.
- Так же для минимального контакта воды с кислородом, её лучше набирать под самое горлышко и плотно заворачивать бутылку пробкой.
- Долго простоявшая в бутылке вода может изменить свои свойства. Если нет возможности привезти её на анализ сразу после отбора, то лучше хранить пробу в холодильнике, но не более 48 часов.
Привозите воду для анализа в приемный пункт аккредитованной лаборатории (схема проезда и телефоны).
Анализ воды из скважины в лаборатории производится на соответствие её качества нормам СанПиН 2.1.4.1175-02, который регламентирует качество воды из скважин и колодцев для питьевых и хозяйственно-бытовых нужд.
Протокол анализа воды высылается на Вашу электронную почту через 2-3 дня после сдачи пробы. При необходимости Вы всегда можете позвонить специалистам, и они прокомментируют результаты Вашего анализа воды. Вместе с этим Вы получите рекомендации по водоочистному оборудованию.
Если у Вас появится желание самостоятельно установить оборудование для очистки воды, специалисты нашей компании предоставят Вам все необходимые инструкции и видеоматериалы. Также, если потребуется, мы дадим любые консультации по телефону, помогающие установить водоочистное оборудование самостоятельно.
Качество воды из природных источников далеко не всегда соответствует питьевым нормам. Оно может нести серьёзную опасность для здоровья человека. В подземных водах нередко превышено содержание органических и неорганических примесей, тяжёлых металлов и солей.
Чтобы употреблять такую воду без опаски, необходимо позаботиться о предварительной водоподготовке и водоочистке.
Важно понимать, что без химического анализа воды из скважины грамотно подобрать оборудование для очистки воды из скважины не получится
Как прочистить абиссинский колодец своими руками
Истинные хозяева абиссинского колодца вырабатывают в себе привычку выполнять раз в год, после зимы, профилактическую чистку колодца. Воду нужно просанировать даже в том случае, если она внешне выглядит чистой.
При санации используют обычный перманганат калий (марганцовку). В ведре воды растворяют одну столовую ложку марганца и засыпают раствор прямо в шахту. По истечении 2-3 часов полностью откачивают воду. Выливают прямо на огород. Это помогает заодно и землю продезинфицировать.
Капитальная прочистка колодца включает прочистку ствола колодца и прочистку заиленного дна. Это трудоёмкая работа, но результат отличный.
Прочистка ствола абиссинского колодца своими руками выполняем с помощью треноги и ерша.
Для этого сооружается тренога с небольшим блочком на верху. Крепится трос, к концу троса крепится ерш. Сделать его можно своими руками из металлической проволоки или сетки-рабицы. Возвратно-поступательными движениями ерш двигается по вертикальной трубе до самого дна, тем самым прочищая от загрязнений ствол абиссинского колодца.
Затем на это же сооружение треноги вместо ерша крепится желонка. Желонка представляет собой трубу около 3 метров длины с меньшим диаметром ствола колодца. На нижнем конце желонке есть обратный клапан.
Он не даёт возможность попасть песку и грязи в трубу при резком её опускании вниз. Этими движениями очищается дно и вернуть производительность абиссинскому колодцу. Удачной находкой можно считать острые зубья на нижней кромке трубы. Они будут выполнять роль разрыхлителя. Именно зубья при резком опускании трубы взбаламучивают грязь на дне, поднимают ее наверх.
Прочистка желонкой
Процесс прочистки желонкой заключается в резком опускании трубы и резком поднятии на верх на 80 см. когда вода с грязью и илом попадает во внутрь трубы, то назад не выходит (обратный клапан не даёт). Сделать нужно таких движений примерно 4 раза. Затем желонку поднимаем наверх тросом и промываем. Эту процедуру нужно делать несколько раз, пока скважина полностью не очистится.
Существуют специальные предложения для тех, кто не желает использовать желонку для прокачки своей скважины. Здесь можно предложить промывку с использованием воды, продувку воздухом под давлением или использование насоса.
Есть случаи, когда требуется более сложный уход. Если прокачка ничем не может помочь, насос необходимо поднять на поверхность, после чего осмотреть его и фильтр.При необходимости промыть или отремонтировать.
Что это такое?
Устройство, называемое абиссинской скважиной или абиссинским колодцем – это простой и недорогой источник, который обеспечит водой загородный домик или дачный огород. Конструкция эта хоть и небольшая по размерам, но подходит для зимнего использования.
Размещение скважины на воду этого типа должно соответствовать определенным нормативам. Для обустройства сооружения не потребуется комплект специализированной техники, достаточно простого оборудования.
Абиссинская скважина представляет собой металлическую или пластиковую трубу примерным объемом от 2 до 4 см. Труба устанавливается в водоносный слой, который может находиться на глубине от 10 до 15 метров. Нижняя часть трубы оборудуется фильтром. В верхней части трубы монтируется насос, который нужно подключить к электричеству.
Производительность абиссинской скважины связана с возможностями водоносного слоя. Особенности системы в том, что ее можно монтировать на дачных участках без постоянного проживания. Для монтажа не потребуется тяжелой техники. При обустройстве скважины не пострадает плодородный слой почвы.
Считается, что данный способ добычи ресурсов изобретен англичанами еще в XIX столетии. Популярности у абиссинского колодца с тех пор не убавилось. Способ востребован для обустройства водоснабжения на дачных участках.
Кроме того, вариантов обустройства абиссинских скважин появилось множество. Например, используется забивной способ или метод бурения. Выбор метода специалисты связывают с условиями на участке. В частности, с качествами имеющегося грунта.
Особенности почвы на конкретном участке должны быть знакомы огородникам. Если необходимых сведений нет, можно уточнить у соседей. Также есть научные способы изучения. Обычно абиссинские скважины бурят в местностях, где грунты из песка или щебенки.
Еще допускается наличие песчаных грунтов средней зернистости. Добыча воды через подобные грунтовые слои не будет трудна. Категорически не рекомендуется обустройство абиссинских скважин на каменистых или суглинистых грунтах.
В таких местах потребуется применение специального оборудования. Однако специалисты практически не используют в практике бурение без обсадной трубы. Варианты скважин с обсадной трубой обычно обустраиваются глубже. Для использования источника потребуется получение лицензии. Сравним характерные особенности глубин для скважин, применяемых в личных хозяйствах.
Конструкция абиссинской скважины
Сооружение состоит из следующих частей:
Обсадные трубы и их функции
Это главный элемент, который необходим, чтобы:
- не засыпало шахту в процессе бурения;
- не загрязнился ствол при эксплуатации;
- в конструкцию не проникали верхние водоносные слои.
Пространство, образующееся между трубой и почвой, по кругу заливают бетоном в случаях, если:
- абиссинскую скважину бурят в рыхлом грунте;
- источник воды находится на большой глубине.
Бывает, когда при использовании колодца трубчатая часть немного выходит на поверхность. Никаких мер это не требует, так как является естественным процессом.
Внутренняя труба с фильтром
Внутрь ствола опускают трубу с фильтром на конце. Именно через нее очищенная вода будет поступать в обсадку. Устье после монтажа на необходимую глубину закрепляют хомутом, чтобы конструкция не просела.
Устройство оголовка
В устройстве абиссинской скважины наверху обсадки есть герметичный оголовок, состоящий из фланца, крышки, резинового кольца. Строение одинаковое вне зависимости от вида. Отличаться может только материалом (чугун или пластик) и дополнительными функциями.
Основная опция – соединение насосного кабеля и водонапорной трубы. Оголовок понижает давление, за счет чего происходит прилив жидкости в абиссинской скважине.
Кессон и адаптер
Кессон – специальная металлическая или пластиковая емкость, защищающая колодец от воздействия повышенной влажности.
Преимущества железного:
Легче ремонтировать
Наиболее адаптирован к температурным скачкам
Можно собрать своими руками
Плюсы кессона из пластика:
Не подвергается ржавчине
Дешевле металлического
Условия для сооружения абиссинской скважины
Для устройства абиссинского колодца недостаточно горячего желания владельца участка, подкрепленного знанием конструкции водозаборной установки. Перед стартом работ необходимо выяснить, подходят ли геологические условия для сооружения скважины иглы.
Залегающие в земле грунты различаются по физико-механическим свойствам: по плотности, структуре, параметрам твердости и т.д. У буровиков есть классификация по так называемой «буримости» пород.
Для проходки песчаника и песка, например, применяется разный вид инструмента и способ бурения. Скальный песчаник бурится колонковой трубой с твердосплавной коронкой, а водовмещающие пески поднимают ударно-канатным методом с помощью желонки.
Установка абиссинского колодца не сможет быть произведена при близком к поверхности залегании известняка (1), песчаника (2), оптимальными для работы грунтами являются глинистые отложения (3) и пески (4)
По совокупности физико-механических свойств вместе с буримостью породы условно делятся на:
- Твердые или скальные. Они способны раскалываться, дробиться, постепенно разрушаются при бурении с высокой скоростью и давлением. Твердые породы представлены в верхней части отложений известняками, песчаниками, мергелями, доломитами и т.п.
- Пластичные. Они легко или относительно легко поддаются резке ножом и буровым инструментом, в том числе наконечником абиссинской скважины. К пластичным представителям относятся глины, суглинки, супеси с высоким числом пластичности.
- Сыпучие. Они не держат форму, т.к. состоят из несоединенных друг с дружкой частиц. При насыщении водой некоторые пылеватые виды могут «плыть». К сыпучей разновидности относятся пески всех категорий по крупности, гравийно-галечниковые, дресвяно-щебнистые и подобные отложения.
В распоряжении домашних мастеров, желающих заняться устройством абиссинского колодца, нет бурового инструмента для проходки всех перечисленных типов грунтов. Самостоятельные буровики смогут пересечь лишь пластичные и сыпучие категории. Раздробить твердую породу наконечником абиссинского колодца невозможно.
Для устройства и нормальной работы абиссинской скважины идеально подходят осадочные отложения: гравий, щебень, галька с заполнителем, пески, супеси, суглинки (+)
Не стоит пытаться разбить крупный валун: лучше немного переместиться и там снова начать выработку. Тем более что демонтаж водозаборного устройства производится в разы быстрее установки.
Кроме ограничений по буримости на возможность сооружения скважины-иглы влияет высота зеркала воды. Дело в том, что извлечение ее из тонкоствольной выработки можно поручить только поверхностному насосному оборудованию. Большинство марок поверхностных насосов готово поднять воду с глубины не более 8 м.
Для откачки воды из скважины-иглы применяется поверхностное насосное оборудование, извлекающее воду с глубины в среднем 8 – 10 м
Даже если в техпаспорте глубина всасывания указана порядка 10 м, нельзя забывать о стандартных потерях давления в стволе и о том, что насос обычно транспортирует воду еще и по горизонтальному участку.
Каждые 10 м горизонтального перемещения отнимает у глубины всасывания по 1 м. К тому же поверхностные насосы настоятельно рекомендовано располагать в закрытых помещениях, а они зачастую удалены от места забора воды.
Если кроме абиссинской скважины нет совершенно никакого выхода, а глубину появления воды в близлежащих колодцах фиксируют на 12 – 15 м от поверхности земли, то для подъема воды следует запастись эрлифтом или ручным насосом, способным качать воду с означенной глубины.
Для откачки воды с глубины более 15 – 20 м можно использовать эрлифт, который выгодно кроме транспортировки воды выполняет насыщение ее кислородом
Полезная информация о том, как на участке найти воду для колодца и оценить расположение водоносных слоев представлена в этой статье.
Альтернативный вариант адаптации водозаборной иглы к неподходящему уровню грунтовой воды заключается в устройстве приямка. Перед забивкой колонны в землю выкапывается шурф глубиной около метра, шириной удобной для работы лопатой в нем. Забивка штанг начинается тогда со дна шурфа. Насос в подобных ситуациях устанавливается в приямок.
Если грунтовые воды на участке залегают ниже, чем максимальная глубина всасывания насоса, сооружают приямок и в нем располагают насосное оборудование
Конструктивная специфика скважины иглы
Конструкция скважины-иглы проста и надежна, а стоимость материалов невысока. Поскольку устройство не занимает много места, его можно установить даже на небольшом дачном участке. При необходимости иглу легко демонтировать и перенести на другую площадку. Срок службы скважины может составить от 10 до 30 лет. Это зависит от характера грунта, количества воды под ним, качества использованных материалов и соблюдения технологии обустройства.
Самый простой способ сооружения автономного водоснабжения — абиссинская скважина. Ее глубина не достигает 15 м, а значит, и затрат как денежных, так и физических в процессе работ будет гораздо меньше.
Типовая схема устройства
Основными функциональными элементами колодца-иглы являются:
- узкие стальные трубы, герметично соединенные между собой с помощью муфт;
- наконечник из закаленной стали, имеющий форму копья;
- фильтр, задерживающий частицы грязи и микроорганизмы;
- входной клапан, задерживающий воду и не выпускающий ее обратно;
- насосное оборудование — ручное типа колонки или электрическое.
Отрезки металлических труб соединяются между собой. На конце монтируется погружной наконечник с несколькими отверстиями для поступления воды. Не следует использовать штанги из чугуна — этот сплав слишком хрупкий и может легко расколоться при забивке. Диаметр водонапорного ствола должен быть от 2 до 4 см, длина каждого отрезка составляет 1,5-2 м. Наконечник-копье имеет длину 10-12 см и диаметр на 1 см больше основного ствола.
Ручной насос состоит из нескольких частей:
- стакана — отрезка стальной трубы диаметром 10 см;
- патрубков для всасывания и выпуска воды;
- рычага;
- поршня-шатуна;
- обратного клапана;
- нескольких уплотнительных прокладок.
Вместо ручной помпы или в комплекте с ней можно установить автоматическое устройство. Оно будет набирать воду в подготовленный резервуар и самостоятельно отключаться при его заполнении.
Особенности изготовления ствола
Пробурить отверстие в почве и установить трубу можно несколькими методами:
- Шнековым бурением — применяется компактный садовый бур.
- Забиванием штангой — используется шестигранный металлический штырь, которым ударяют по наконечнику.
- Забиванием бабкой — тяжелым грузом с отверстием.
К нижнему отрезку ствола приваривают наконечник. Эта часть будет принимать воду, для чего в ней сверлят 30-40 отверстий в шахматном порядке. На этом участке устанавливается металлическая сетка-фильтр.
Колодец не должен находиться вблизи от жилого строения. Оптимальным расстоянием между этими конструкции считается 10-12 м
Также стоит обратить внимание и на расположение рядом с колодцем септика или простой сливной ямы
Подготовленную штангу устанавливают в нужном месте вводят в почву путем бурения или забивания. По мере того как труба углубляется в грунт, ее наращивают с помощью муфт до нужной длины. Между первой и второй штангами устанавливается обратный клапан. Это может быть пластмассовый шарик, который будет пропускать воду только по направлению к насосу. Когда наконечник достигает слоя песка, его погружают еще на 50 см. Уровень воды в трубе должен быть около 1 м.
На верхний конец ствола накручивается ручное приспособление для закачки. Чтобы исключить «заглатывание» системой воздуха, места соединения уплотняют паклей и герметиком.
После завершения работ по установке колодец прокачивают до получения чистой воды. Вначале выходит воздух из труб, затем грязная вода, и только в конце очищенная. Площадку вокруг иглы бетонируют так, чтобы ее уровень был выше грунта на 6-8 см.
Если вода залегает слишком низко, дополнительно выкапывается приямок — шахта глубиной 1 м и с достаточной для работы площадью. При этом способе обустройства бурение скважины начинают со дна приямка. Здесь же устанавливают насос.
Усовершенствование допотопного фильтра
Простейшее устройство для очистки воды способно задержать песок и небольшие камни, но легко пропускает более мелкие частицы. Чтобы получить чистую воду, фильтр нужно доработать. Для этого необходимо:
Поверх штанги намотать нержавеющую проволоку. Расстояние между витками должно быть 2-3 мм.
Сверху проволока плотно закрывается стальной сеткой, края которой припаиваются к трубе
Припой должен быть только оловянным, так как свинцовый может ухудшить качество воды.
Важно, чтобы диаметр готового участка не превышал таковой у наконечника. В противном случае детали очистительного сооружения легко отсоединятся при забивке в почву.
Сетка для фильтра должна быть изготовлена из нержавеющей стали, но ни в коем случае не из цветных металлов. Латунный вариант быстро подвергается коррозии.
Абиссинская скважина своими руками
Особенностью конструкции является то, что водонапорная труба имеет небольшой диаметр и является одновременно обсадной и эксплуатационной.
Типовая схема устройства
Забойная скважина состоит:
Типовая схема обустройства абиссинской скважины.
- из насоса (располагается на поверхности);
- из ствола;
- из фильтра;
- из наконечника (находится в воде).
Для устройства скважины можно детали сделать самостоятельно или заказать их изготовление. Понадобятся:
- стальные бесшовные трубы с толстыми стенками, толщина ствола не оказывает влияния на приток воды, но конструкцию большого диаметра труднее забивать;
- наконечник длиной 10 см.
Наконечник — это металлическая игла абиссинского колодца, пробивающая почву. Его диаметр в самой широкой части должен быть на 2-3 см больше наружного диаметра ствола и фильтра, это необходимо для уменьшения их трения о грунт. Наконечник может иметь форму конуса или пирамиды. Его вытачивают из стали на токарном станке. Сварные конструкции не используют — они не выдержат нагрузки.
Особенности изготовления ствола
Ствол скважины состоит из металлических труб длиной 1,2-1,5 м и одного отрезка длиной 1 м, который полностью уйдет в водоносный слой, на его конце находится наконечник. Лучший вариант — бесшовные стальные водогазопроводные изделия с наружным диаметром 25-40 мм. На их концах делают по 7 витков резьбы, она должна быть качественной, чтобы выдержать забивку ствола.
Способы :
- забивание штангой — небольшим металлическим прутом;
- кувалдой или бабкой;
- .
Особенности изготовления ствола.
При забивании труб лучше пользоваться бабкой, т.к. ее поверхность позволяет центрировать удар и избежать перекосов. Ствол колодца делают в такой последовательности:
- Снимают 20-30 см дерна и бурят скважину диаметром 15-20 см на глубину 1 м или роют шахту той же глубины сечением 0,7х0,7 м.
- Над скважиной устанавливают треногу без настила, т.к. длина забиваемых фрагментов небольшая, и крепят над ней груз весом 25-30 кг (бабку).
- В центре скважины ставят трубу с фильтром, обеспечив ее устойчивость, и вбивают ударами падающей бабки.
- Ствол наращивают, прикручивая отрезки резьбовой муфтой. Для прочности соединения в резьбу укладывают сантехническую паклю.
Если фрагмент вбивается с трудом, в него заливают воду и останавливают работу примерно на 1 час, пока она не впитается в землю. Но, если почва слишком твердая, применяют предварительное бурение скважины и опускают ствол в нее. Метод уменьшает опасность деформирования соединений.
Убедиться, что игла достигла водоносного слоя, можно такими способами:
- в ствол опускают небольшую трубку, при соприкосновении ее с водой будет слышен хлопок;
- подливают в ствол воду, она будет уходить быстро, если игла находится в жидкости.
Усовершенствование допотопного фильтра
При качественном процеживании не будет происходить забивания скважины в любых типах грунтов, даже в глине, она прослужит дольше с высокой производительностью. Хороший фильтр должен быть максимально пористым. Его можно сделать своими руками, взяв за основу оцинкованную трубу длиной 60 см, толщиной 3 мм и внутренним диаметром 25 мм. На каждой стороне сверлят отверстия диаметром 1-1,5 см с шагом 3-4 см. Всего необходимо 40-60 отверстий.
Чтобы улучшить качество воды, устройство совершенствуют:
Дополнительный фильтр.
- Участок с отверстиями обматывают нержавеющей проволокой диаметром 1,5 мм, делая расстояние между витками 4 мм.
- Сверху плотно покрывают слоем нержавеющей сетки галунного плетения, которая не пропускает мелкие частицы песка и глины. Прикрепляют ее хомутами или приваривают припоем без добавления свинца.
Модернизация увеличивает срок службы системы в 2-3 раза.
Строительство абиссинского колодца
Материалы и оборудование
Для строительства такого колодца нам потребуется буровая колонна. Подобные скважины обычно формируют из стальных прочных труб диаметром от дюйма до полутора. Герметичные резьбовые соединения надежно фиксируют их друг с другом. Шаг резьбы должен быть небольшой.
Для защиты мест соединения на эти отрезки надеваются специальные муфты, толщиной чуть больше основной трубы. Непременным элементом такой буровой колонны является особенный фильтр-игла.
Можно ли изготовить оборудование своими силами?
Можно. Делается это по следующей технологии:

- В прочной металлической трубе, с сечением как у основной колонки, проделываются пятимиллиметровые отверстия. Располагаются они в шахматном порядке, чтобы целостность трубы была сохранена максимально.
- Вдоль этой трубы расположены опорные стержни, которые изготовлены из металлической проволоки. Их назначение – создавать зазор между внешней обмоткой и телом трубы.
- Поверх упомянутых стержней накручивается металлическая проволока, имеющая V-образную форму. Весь этот узел является первичным фильтром. Опорные стержни, корпус трубы и намотанная проволока связывается между собой с помощью сварки.
- На конец трубы крепится наконечник в форме копья. Его наружный диаметр немного больше диаметра самого фильтра. Благодаря этому при движении сквозь грунт конструкция фильтра не разрушается.





































