Что следует учесть при проектировании и монтаже?
Чтобы вода внутри батарей и труб не застаивалась, а свободно циркулировала, устанавливать трубы требуется с заметным уклоном. В проекте необходимо учесть, что их каждый погонный метр должен отклоняться от плоскости от 1 до 2 градусов. Такая конструкционная хитрость не будет очень заметна, но обеспечивает необходимый самотек теплоносителя.
Другая важная деталь – мощность котла. Его сильный нагрев заставит воду двигаться быстро, что увеличит температуру в радиаторах и трубах. Перед выбором и покупкой оборудования следует произвести расчеты и оценить будущую тепловую эффективность его работы.
Ухудшить производительность самотечной системы отопления в доме могут особенности расположения труб. Их частые изгибы, повороты под прямыми углами значительно снижают естественное давление воды, замедляют её ток, температура в доме значительно снижается.
Однотрубная и двухтрубная самотечные системы

Схема однотрубной системы.
Отопительная сеть самотечного типа может быть смонтирована в однотрубном или двухтрубном исполнении.
Однотрубное отопление предполагает последовательную схему монтажа труб и батарей. При его эксплуатации вода будет проходить по ним последовательно. Имеется два способа установки оборудования:
- поток теплоносителя проходит сразу через батареи;
- движение воды по системе осуществляется по основной трубе, к которой при помощи дополнительных ответвлений крепятся радиаторы.
Более равномерный прогрев воздуха достигается при втором способе.
Двухтрубная схема отопления с естественной циркуляцией предполагает обустройство отдельных магистралей для потока воды – основной и обратной подачи. Теплоноситель из котла (горячий) последовательно поступает в отопительные радиаторы, а после остывания возвращается уже холодным к котлу по обратным трубам.
Если монтировать самотечную систему отопления в двухэтажном доме в двухтрубном исполнении, для равномерного прогрева комнат, сохранения необходимой температуры в них потребуется установка дополнительного агрегата – циркуляционного насоса. Такое оборудование позволит увеличить давление воды внутри труб, сохранить оптимальную теплоотдачу отопительной системы.
Основные отличия открытой и закрытой систем
В открытой системе расширительный бак находится выше других элементов контура, а в закрытой он может находиться в любом месте, даже рядом с котлом, на расстоянии не менее полутора метров.
Закрытая система полностью защищена от атмосферного воздуха, что препятствует попаданию кислорода в систему и его взаимодействию с металлом контура. Это предотвращает ускоренную коррозию и, таким образом, продлевает срок эксплуатации оборудования.
В открытой системе применяют трубы большого диаметра. Это создает определенные сложности при монтаже. Эти сложности увеличиваются необходимостью соблюдать определенный наклон труб относительно пола
Громоздкие трубы трудно скрыть ухищрениями декора, и они нарушают интерьер жилых помещений.
Для соблюдения всех законов гидродинамики в открытой системе следует соблюдать нужный уклон, распределение тепловых потоков, высоту подъема, повороты, ликвидировать узкие места, обеспечивать правильное, с точки зрения динамики, подключение к батареям.
В закрытом варианте можно использовать трубы меньшего диаметра (но до определенного размера), что сокращает расходы и дает возможность спрятать трубы декоративными деталями.
В закрытой системе важно правильно установить циркулярный насос, что позволяет снизить уровень шума и вибрации. В гравитационной системе эта проблема отсутствует.
Как выбрать или сделать расширительный бак
Фабричный гидробак можно купить в специализированном магазине или заказать через интернет. Он представляет собой емкость с крышкой и отводами, готовую к установке. При покупке оцените полный и полезный объем, параметры резьбы патрубков и габаритные размеры модели.
При желании сэкономить, сварите сами емкость из нержавеющей стали или подыщите подходящую пластиковую канистру. Полимеры и нержавейка не подвержены коррозии, поэтому долго служат. Такой самодельный демпфер работает не хуже заводского.

Можете поступить проще – возьмите канистру, подсоедините ее к отопительной системе, в верхней части вырежьте отверстие и вставьте туда воронку. Воду надо будет доливать вручную, а в конце отопительного сезона – снимать и промывать бак.
Принцип работы электроконвекторов

Одним из перспективных приборов электрического отопления является конвектор. Конвектор — это обогревательный прибор, работающий по принципу естественной конвекции воздуха. Существуют настенные и напольные конструкции в виде плоского прямоугольника.
Для нагрева воздуха в конвекторах применяются низкотемпературные нагревательные элементы из специального сплава. Разогрев конвектора происходит в течение минуты, и тепло через верхние прорези прибора практически сразу поступает в помещение. КПД составляет более 90%. В отличие от масляного радиатора, обогревающего за счет теплового излучения, конвектор создает поток теплого воздуха, быстро и равномерно прогревает помещение.
Преимущества конвекторов

- Надежность и безопасность.
- Равномерный обогрев комнаты и отсутствие зон с перепадом температуры.
- Конвекторы нового поколения работают бесшумно, не сжигают кислород и не пересушивают воздух.
- Конвекторы устойчивы к перепадам напряжения, нормально функционируют в диапазоне от 150 до 242В сетевого напряжения и снабжены многоступенчатой системой защиты.
- Температура корпуса работающего конвектора не более 55°С.
- Современный дизайн и многообразие форм, есть модели различных габаритов от плинтусных, высотой не более 15 см, до высоких для узких простенков. Бывают передвижные конвекторы на колесиках.
- Широкая ценовая шкала: от эконом-класса до VIР-моделей.
Признанным лидером в области производства электрических конвекторов является французская компания Noirot. Все конвекторы этой марки имеют высший класс электрозащиты IP21в. Эти приборы не требуют заземления, и находят применение в помещениях с высокой влажностью (бассейны, ванные).
Конвекторы оснащены собственным термостатом, что позволяет поддерживать заданный температурный режим и рационально расходовать электроэнергию. Если соединить все конвекторы управляющим кабелем, вывести его на пульт управления или добавить программатор в один из конвекторов, сделав его ведущим, получится автоматическая отопительная система с различными режимами работы.
Правила установки

Установка конвектора элементарно проста, главное, соблюдать несколько требований:
- Установка непосредственно в обогреваемом помещении.
- Недопустимо размещать в пыльных помещениях или с содержанием легковоспламеняющихся веществ.
- Нельзя устанавливать под электрической розеткой.
- Не рекомендуется размещать конвектор на сквозняке, это препятствует регулированию температуры.
- Соблюдать отступы от предметов не менее 5см.
Монтаж и обслуживание отопительного конвектора
С задней панели обогревателя снимается крепежная рама и фиксируется к стене шурупами в соответствии с установочными размерами. В крепежной раме есть отверстия для крепления пластиковых кронштейнов, которые упрощают уборку пыли. Раз в полгода при помощи пылесоса решетки очищают от пыли. Для управления неограниченным числом конвекторов очень удобна радиосистема, которая не требует укладки управляющего кабеля и легко модернизируется при ремонте дома.
Расчет мощности и количества электроконвекторов
Для получения качественного обогрева дома необходимо правильно рассчитать мощность и количество приборов. При расчете мощности конвектора придерживаются следующего соотношения: 1000Вт на 10квм при условии хорошей теплоизоляции дома. Количество конвекторов зависит не только от площади, но и от формы обогреваемого помещения. Например, в длинном узком коридоре лучше установить конвекторы в разных концах. Вполне допустимо, если мощность конвектора превышает показатели, полученные при расчете. Благодаря встроенному термостату комната быстрее прогреется до установленной температуры, после чего прибор на некоторое время автоматически отключится.
Как же действует открытая система отопления?
Чтобы запустить систему, нет необходимости устанавливать насос. Теплоносители постоянно находятся в замкнутой системе, поэтому нет никаких потерь. Монтаж системы отопления настолько прост, что не требует специальных навыков.
Система отопления открытого типа
Каковы же главные части системы?
- Газовый или твердотопливный котел. Потребитель для себя может выбрать оптимальный вариант, отвечающий желаемым требованиям;
- Радиаторы отопления. Можно сделать свой выбор как в пользу чугунного, так и стального;
- Расширительный бачок из стали;
- Трубы.
Как же работает система отопления открытого типа?
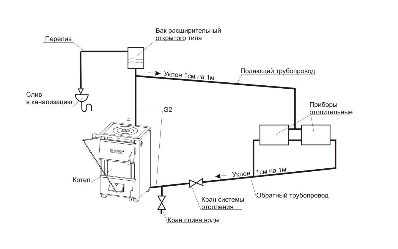
Первым делом идет подогрев воды в котле. Затем горячая вода под напором поступает в трубы и достигает зоны низкого давления. После того, как горячая вода совершит полный водоворот и отдаст тепло, она возвращается в начальную точку – котел. В связи с тем, что под действием высоких температур вода расширяется, необходим в системе расширительный бак. Он выполняет роль компенсатора лишнего объема воды. Бак является предметом, который запаян не герметично. Для облегчения запуска системы отопления необходимо установить врезной кран. С его помощью из системы удаляется воздух. Принцип работы открытой системы отопления делят на два этапа:
- «Подача». Вода нагревается, поступает по трубам в радиаторы и обогревает помещение;
- «Обработка». Остывшая вода из радиаторов по трубам возвращается в котел.
Особенности обустройства открытой системы отопления:
Обязательно располагайте расширительный бак выше уровня остальных приборов системы отопления;
В качестве теплоносителя выберите воду, а не антифриз;
Поскольку вода при нагревании способна испаряться, важно контролировать ее уровень в котле и вовремя пополнять запасы.
Расчёт системы отопления
Рассмотрим подробно упрощённый вариант расчёта системы водяного отопления, в котором мы будем использовать стандартные и общедоступные комплектующие. На рисунке схематически представлена индивидуальная система отопления частного дома на основе одноконтурного котла. Прежде всего, нам необходимо определиться с его мощностью, так как он является основой всех вычислений в дальнейшем. Выполним данную процедуру по описанной ниже схеме.
У нас имеется одноэтажный дом с тремя комнатами, прихожей, коридором, кухней, ванной и туалетом. Зная площадь каждого отдельного помещения и высоту комнат, необходимо произвести элементарные расчёты для того, чтобы вычислить объём всего дома:
- комната 1: 10 м2 · 2,8 м = 28 м3
- комната 2: 10 м2 · 2,8 м = 28 м3
- комната 3: 20 м2 · 2,8 м = 56 м3
- прихожая: 8 м2 · 2,8 м = 22,4 м3
- коридор : 8 м2 · 2,8 м = 22,4 м3
- кухня: 15,5 м2 · 2,8 м = 43,4 м3
- ванная: 4 м2 · 2,8 м = 11,2 м3
- туалет: 3 м2 · 2,8 м = 8,4 м3
Таким образом, мы посчитали объём всех отдельных помещений, благодаря чему теперь можно вычислить общий объём дома, он равен 220 кубическим метрам. Заметьте, мы также посчитали объём коридора, но на самом деле там не указано ни одного отопительного прибора, для чего это нужно? Дело в том, что коридор также будет отапливаться, но пассивным образом, за счёт циркуляции тепла, поэтому нам необходимо внести его в общий список отопления, для того, чтобы расчёт был правильным и дал нужный результат.
Следующий этап расчёта мощности котла мы будем проводить, исходя из необходимого количества энергии на один кубический метр. Для каждого региона существует свой показатель — в наших вычислениях используем 40 Вт на кубический метр, исходя из рекомендаций для регионов европейской части СНГ:
40 Вт · 220 м3 = 8800 Вт
Полученную цифру необходимо возвести в коэффициент 1,2, что даст нам 20% запаса мощности для того, чтобы котёл постоянно не работал на полную мощность. Таким образом, мы понимаем, что нам необходим котёл, который способен вырабатывать 10,6 кВт (стандартные одноконтурные котлы выпускаются мощностью 12–14 кВт).
Схемы разводки открытой системы
Различается схема разводки с насосом и самотечная. Выбор определяется с учетом следующих нюансов:
- Общая площадь жилых и нежилых помещений, которые нужно отапливать. Если показатель больше 50-60 м2, то без принудительной циркуляции не обойтись.
- Количество этажей в доме, высота потолков. Для самотечной схемы важный элемент – наличие разгонного стояка, без него в системе появляется воздух, поэтому при низких потолках и высоте дома более 2-х этажей следует монтировать циркуляционный насос.
- Расчет теплового режима работы. При низкотемпературном режиме следует отдать предпочтение принудительной циркуляции теплоносителя, так как малое расширение воды не обеспечит необходимого давления в теплосистеме.

Далее определяется схема, которая может быть одно-, двухтрубной. Рассмотрим обе схемы подробно:
- Однотрубная открытая система отопления с принудительной циркуляцией – это схема, которая предусматривает наличие одного трубопровода, выходящего и входящего в котел. Приборы подключаются последовательно, материалов уходит немного. Минус – снижение температуры носителя, то есть до крайнего радиатора в схеме вода будет доходить уже холодной. Выход – обустройство однотрубной системы в домах с небольшой площадью, до 50-60 м2.
- Двухтрубная схема потребует большего расхода материалов, так как от котла отходят две магистрали – 1 на подачу теплоносителя, 2 на возврат. Расходы оправданы подачей теплоносителя нужной температуры к каждому радиатору, возможностью регулировать интенсивность нагрева батарей и проведением ремонта без отключения всей тепловой системы.
Коллекторная разводка считается сложной в монтаже, но применяется довольно часто. Выглядит конструкция как подача тепла и отвод обратки для каждого радиатора или группы батарей. Схема пригодится при формировании системы отопления в доме с большим количеством батарей, необходимости подвести обогрев к отдаленным помещениям (флигелю, крылу дома). Минусы – большой расход материалов, а также значительные затраты на энергию, поэтому в открытых системах коллекторная разводка практически не применяется.
Открытая система
Особенность открытой системы отопления заключается в том, что теплоноситель движется по трубам естественным путем. Это происходит из-за разности в плотности у холодной и горячей воды (у последней она больше). Поэтому создается гидростатический напор который направляет теплоноситель в радиаторы. В качестве теплоносителя чаще всего используется обычная вода. В состав открытой отопительной системы входит отопительный котел, расширительный бак, прямые и обратные трубы и радиаторы. Естественная циркуляция, при которой нагреваются радиаторы, происходит следующим образом. Вода достигает высокой температуры, стремится вверх на выходе из котла, выталкивается холодной водой. При нагревании структура воды расширяется, появляются её излишки. Именно для этого нужен расширительный бак, туда лишняя вода отправляется, чтобы избежать разрыва. Теплоноситель остывает в расширительном баке, возвращается в систему отопления.
Рекомендации по использованию
Расширительный бак устанавливается максимально высоко, на чердаке, который не отапливается. Бак открыт, обеспечен постоянный доступ кислорода. Постоянный контроль за уровнем бака позволяет предотвратить воздушные пробки в трубопроводе. Необходимо следить за медленным нагреванием воды, так как циркуляция воды происходит медленно. Если довести температуру до максимальной (точка закипания) – есть риск быстрого износа всей системы отопления. Если не используете отопление зимой – необходимо сливать теплоноситель для сохранности труб, радиаторов и котла.
Рекомендации по установке
Монтаж открытой системы отопления должен быть выполнен строго по инструкции, иначе появится риск утечек и замерзания воды в зимний период. Представляем следующие рекомендации:
Нужно установить котел максимально низко по отношению к трубам, приборам отопления;
Необходимо утепление расширительного бака при установке на чердаке
Это предотвращает замерзание воды;
Должное внимание уделяется уклону при монтаже трубопровода;
Рекомендуется избегать многочисленных изгибов, колен и отводов;
Важно использовать наименьшее количество соединительных элементов;
Устанавливается труба с наибольшим диаметром на выходе из котла.. Важно правильно подобрать сечение труб:. Важно правильно подобрать сечение труб:
Важно правильно подобрать сечение труб:
- Если площадь дома составляет 50-100 кв. м – нужно использовать трубы с диаметром 40 мм. Чем больше общая площадь отапливаемого помещения – тем больше диаметр.
- Трубы, которые идут к радиаторам, имеют сходный диаметр со стояком. Трубы, которые подводят к радиаторам, могут иметь меньшее сечение.
- Рекомендуемый уклон горизонтальных труб составляет 0,005-0,01%. Он выполняется от котла в направлении радиаторов.
Преимущества/недостатки открытой системы
Главными преимуществами открытой системы являются:
- Равномерность прогрева. Тепло поступает во все отапливаемые помещения, создается комфортная и уютная атмосфера.
- Бесшумная работа. Достигается благодаря отсутствию циркуляционного насоса.
- Длительная эксплуатация. Насос может выходить из строя, в открытой системе его нет.
- Независимость от электричества. Не потревожат перепады в сети и полное отключение электроэнергии.
Открытые системы стали менее популярными. Одна из причин – следующие недостатки:
- Высокие цены на оборудование. В открытой системе используются трубы большого диаметра.
- Сложный монтаж. Необходимо рассчитать уклон горизонтальных участков труб.
- Угроза замерзания воды в открытом расширительном баке.
- Опасность коррозии труб, радиаторов. Открытый расширительный бак дает возможность кислороду проникнуть в систему.
- Изменение уровня теплоносителя. Необходим постоянный контроль расширительного бака.
- Невозможность использования антифриза.
- Долгое время на нагрев.
Требование к тепловым генераторам и котлам
Проектируя отопительную систему для отдельных жилых помещений или квартир, разрешается использовать различные модели отопительных котлов, находящихся в исправном состоянии и полностью готовых к использованию. Они должны регулярно осматриваться и обслуживаться.

Чтобы спроектировать надежное отопление снип рекомендует использовать котельные установки со следующими предельными рабочими характеристиками:
- Давление (рабочее) – до 1 МПа
- Температура теплоносителя (рабочая) – до 95 градусов
- Тип камеры сгорания – закрытая или открытая
Выбираемое оборудование должно оснащаться контрольно-измерительными приборами и автоматикой, способной выключить систему при проявлении неисправностей (погасшее пламя, нарушение работы режима электросети, падение давления или температуры). Задействовать котлы с открытыми камерами сгорания в многоквартирных домах высотой более 5-ти этажей запрещается.
Установку отопительных котлов в жилых помещениях разрешают лишь в случаях, когда их мощность не превышает 35 кВт. В иных ситуациях необходимо отводить отдельное помещение под котельную. Максимальный показатель мощности теплогенератора в индивидуальной отопительной системе не должна быть более сотни кВт.

Следует предусмотреть удаление дыма посредством дымоходной системы. Среди многочисленных требований, предъявляемых к ней, стоит отметить:
- Отдельные участки дымохода должны располагаться исключительно в горизонтальном или вертикальном положении с минимальным количеством изгибов
- Запрещена прокладка трубы по жилым помещениям
- Дымоходная труба должна быть без шероховатостей внутри и не иметь сужений
- Дым должен выбрасываться выше кровли
- Если температура газа превышает 105 градусов, запрещается использовать трубы из горючих материалов
Схемы закрытой системы отопления – преимущества и недостатки, монтаж
Однотрубная система с подключенными последовательно радиаторами применяется в небольших домах. Теплоноситель проходит через батарею, нагревает ее, возвращается в магистраль и двигается дальше. К последнему отопительному прибору доходит вода самой низкой температуры. Используют такую преимущественно по соображениям экономии: для монтажа требуется вдвое меньше материалов и времени. При выходе радиатора из строя циркуляция продолжается по установленному рядом байпасу.
Однотрубная закрытая система
Возможности подобной системы ограничены конструктивными особенностями. Из-за неодинакового прогрева количество секций увеличивают по мере удаления от котла. Приходится использовать трубы большого диаметра, чтобы вода не так быстро остывала. Подключают не более 5 батарей. Магистраль в одноэтажном здании прокладывают под уклоном, а радиаторы размещают горизонтально. Для двухэтажного дома делают центральный стояк, расположенный вертикально.
Схема двухтрубной закрытой системы в двухэтажном доме
Разводка двухтрубной системы имеет подающую и обратную магистраль с одинаковым нагревом радиаторов вне зависимости ее удаленности от котла. Есть возможность подключить отопительные приборы по разным схемам. Одна из них коллекторная – сложная для монтажа, расходуется больше материалов, но позволяет регулировать температуру в каждой комнате. Вторая – с параллельным подсоединением батарей по всему периметру.
Монтаж своими руками выполняют последовательно:
- Начинают с установки котла. Удобное место – небольшое отдельное помещение в цокольном этаже.
- По всем комнатам разводят трубы. Соединяют способом, наиболее приемлемым для материала.
- Монтируют мембранный бак и насос. Если на теплогенераторе отсутствует группа безопасности, устанавливают ее самостоятельно.
- Навешивают радиаторы. Обеспечивают расстояние от пола 10 см, от стен – 5.
В твердотопливных агрегатах перед разогревом в топливнике образуется конденсат, приводящий к возникновению коррозии и повреждению металла. Чтобы избежать нежелательных последствий, в обвязку добавляют узел из трехходового клапана и байпаса. Циркуляция сначала идет по малому кругу, пока теплоноситель не нагреется, затем включается большой контур. Котлы с таким устройством безопасны в эксплуатации и служат длительное время.

Расширитель с мембраной любого типа – грушевидной или тарельчатой – ставят на некотором удалении перед насосом по направлению циркуляции теплоносителя. На прямолинейном участке устанавливают тройник, к нему присоединяют отрезок трубы, дальше через американку (накидную гайку) – бачок. Вместе с водой резервуар довольно тяжелый, поэтому для крепления используют кронштейны, опоры. После тройника требуется шаровый кран. Он вместе с американкой облегчает процесс демонтажа при необходимости.

Циркуляционный насос старых моделей ставили только на обратке, сейчас это необязательное требование – современные материалы способны выдержать 90°, но лучше использовать проверенную схему. Для систем, способных работать по гравитационному принципу, предусматривают, что устройство можно снять или функционирование происходит вовсе без него.
Закрытая система не нуждается в байпасе – работоспособность поддерживается насосом, при отключении прекращается функционирование. В любом варианте устанавливают на магистрали с обеих сторон шаровые краны, для быстрого демонтажа и замены. Необходимый элемент – фильтр для предотвращения засорения. Иногда дополнительно используют обратный клапан, чтобы вода не перемещалась в неправильном направлении, но это необязательно.
Какая циркуляция будет оптимальной и почему – принудительная или естественная
Рассматривая этот вопрос, обращаем внимание на следующие обстоятельства:
- Схема отопления с естественной циркуляцией применяется в строениях небольшого размера. Насосные установки для такого жилья устанавливаются при необходимости регулирования температуры, как в целой системе, так и в отдельных ее контурах.
- Произвольная циркуляция используется вынужденно при отсутствии электроэнергии или длительных перебоях в ее подаче.
- Когда по условиям эксплуатации требуется повышенное давление в отопительной системе, применяются циркуляционные насосы в системах.
Для таких целей в настоящее время используются циркулярные установки с мокрым ротором. Их выбор производится исходя из особенностей монтажа и условий эксплуатации.
В качестве теплоносителя для системы отопления частного дома применяются различные материалы. Это зависит от условий эксплуатации здания.
Для строений периодического посещения предпочтительны незамерзающие жидкости (антифриз, трансформаторное масло), не приводящие к разрывам трубопровода при значительном холоде.
В домах постоянного проживания можно применять воду.





































